|
公司基本資料信息
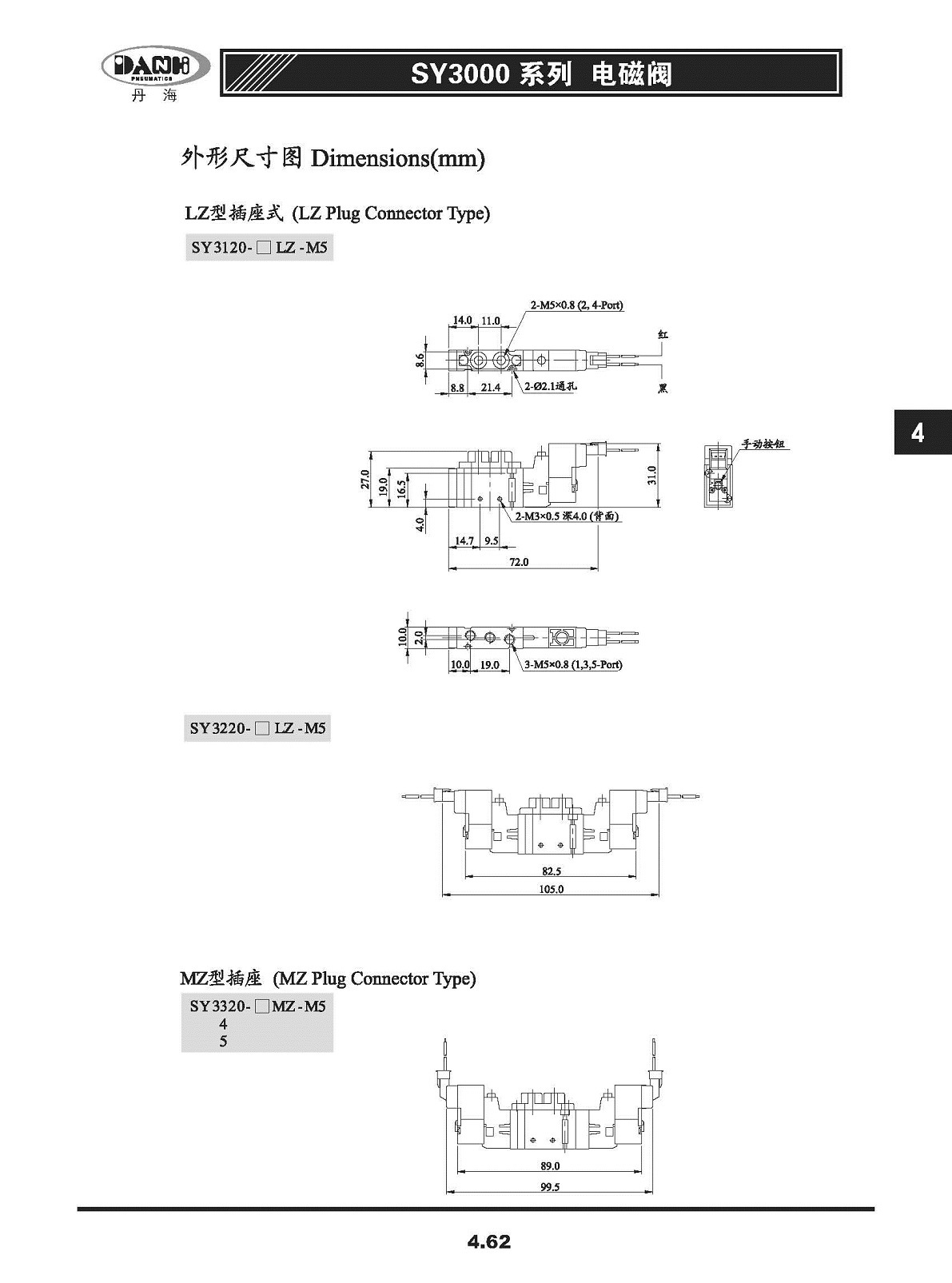
![]() |
|||||||||||||||||||||||||||



SY3120,SY3220,SY3320,SY3420,SY3520,韓國電磁閥,進口電磁閥,氣動電磁閥,控制氣閥,電磁換向閥,換向閥,二位五通氣動電磁閥,換向電磁閥,氣動電磁換向閥,換向氣閥,二位五通氣動閥,二位五通電磁換向閥,氣動電磁控制閥,氣閥電子閥,電子閥氣閥,電磁閥氣閥,控制氣動閥,二位五通電磁氣動換向閥,氣缸控制換向閥,氣缸氣閥,氣路轉換閥,氣缸電磁閥,二位五通閥,二位五通氣閥,五口二位電磁閥,二位五通控制換向閥,單控5通電磁閥,雙控5通電磁閥,二位五通單電控電磁閥,兩位五通閥,二位五通電磁閥,焊機電磁閥,焊機閥,鋁機閥,鋁機電磁閥,焊機鋁機專用電磁閥,二位五通單頭電磁閥,2位5通單頭電磁閥,二位五通調節閥,單電控二位五通,單電控2位5通,二位五通單電控,2位5通單電控,氣動雙向電磁閥,單控五通電磁閥,AC220V電磁閥,DC24V電磁閥,機械電磁閥,閥門電磁閥,二位五通控制氣缸,2位5通控制氣缸,進口五通電磁閥,進口5通電磁閥,進口2位5通電磁閥,進口兩位五通電磁閥,韓國換向閥,韓國氣動閥,五口電磁閥,5口電磁閥,5通電磁閥,五通電磁閥,*導式電磁閥,氣動控制閥,氣缸控制閥,2位5通電磁閥,兩位五通電磁閥,氣缸換向閥,二位五通換向閥。