|
公司基本資料信息
![]() |
|||||||||||||||||||||||||||




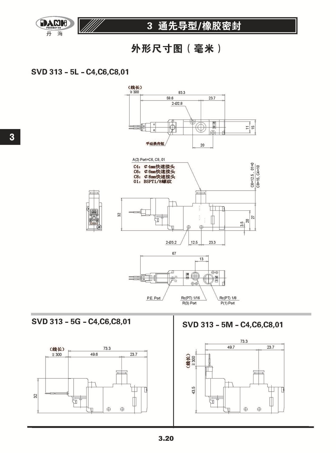
韓國DANHI丹海氣動元件,SVD213,SVD313,SVD413,2位3通電磁閥,常開型電磁閥,常閉型電磁閥,兩位三通電磁閥,三口二位電磁閥,3口2位電磁閥,*導式電磁閥,*導式3通電磁閥,*導式三通電磁閥,2位3通電磁閥,常開型電磁閥,常閉型電磁閥,兩位三通電磁閥,三口二位電磁閥,3口2位電磁閥,*導式電磁閥,*導式3通電磁閥,*導式三通電磁閥,替換ypc電磁閥、PMC電磁閥、TPC電磁閥、KCC電磁閥、韓國三和、SANWO三和電磁閥、SANWO電磁閥、ARK電磁閥、韓國ARK換向電磁閥、韓國ARK換向閥、韓國ARK電磁閥、SMC電磁閥、YSC電磁閥等。