|
公司基本資料信息
![]() |
|||||||||||||||||||||||||||
NYP不銹鋼高粘度泵適用于輸送無潤滑性,低腐蝕性,衛生條件要求高不含有固體顆粒,纖維等物質的 般粘度和高粘度的流體。介質溫度-20-200℃,粘度5-30000cst。
NYP不銹鋼高粘度泵是采用美國威肯公司高粘度泵技術,在原有基礎上進行工藝改進、設計而生產的針對于國內高粘度介質行業專門生產的高粘度泵,該高粘度泵可以廣泛應用于各種無硬顆粒的高粘度、高稠度、易結晶的輸送加壓的工況;由于高粘度泵內部齒輪間隙可以在不拆泵的情況下、根據現場介質的粘度高低進行靈活調節,所以此高粘度泵還可以應用于各種低粘度介質的輸送。NYP高粘度泵系列產品可以同時配有保溫夾套裝置,在使用時可以對粘度過高或容易結晶的介質采取用導熱油或蒸汽進行保溫,以達到良好的輸送效果。同時可以選用各種耐腐蝕材質制造,以滿足各種有腐蝕性場合的需求。 內環式高粘度泵專業用于輸送高粘度、高濃度的聚合類介質及類似潤滑性介質,高粘度泵設有保溫夾套,也可用于輸送常溫下結晶或易凝固的高粘度介質,具有流量大,無脈動,效率高,壽命長等特點。
適用范圍
用于機械、石油、化工、食品、醫藥、冶金、印染、釀造、化妝品、飲料等行業。
(1)工作原理具有內齒的驅動齒輪(外轉子)帶動內轉子在全封閉的泵體內作同方向轉動,泵體和前蓋的月牙板使吸入和排出口隔開。轉動時,在吸入口形成負壓,液體被吸入,轉子將液體帶到排出口,受壓排出泵體,完成了液體的輸送。
(2)內環式高粘度泵主要有內外轉子,軸,泵體,前蓋,拖架,密封,軸承等組成。密封有機械密封和填料密封的兩種形式,對于高溫、高粘稠度及腐蝕性強的介質,選用填料密封。輸送易結晶物料時,在前蓋和泵體上可設計帶有保溫夾套,工作時通蒸汽保溫融化。泵裝置由泵,電機和底座組成。傳動方式有橋式和直聯式兩種。從主軸外伸端向泵看,為順時針旋轉。
高粘度泵在開始運轉前,往齒輪泵的殼體內灌滿待輸送的液體,便于安全啟動。若環境溫度低于冰點,應預 向泵內通入熱蒸汽,進行預熱處理,然后才可啟動齒輪泵。高粘度泵的旋轉方向要與進、出油口相符。齒輪泵若是 次運行,或長期閑置后再使用, 好在空載或小負荷情況下 跑合 小時左右。如果在跑合階段預 覺察出異常溫升、泄漏、振動和噪聲時,應停機檢查。
NYP系列不銹鋼轉子泵能參數表
| 型號 |
流量 |
壓力 Mpa |
吸入及排出管口徑 | 必須汽蝕余量m | 效率 % |
減速方式 | ||||
|
m3/h |
I/min |
功率 KW |
轉速 r/min |
減速機 | ||||||
| NYP3/1.0 | 2 | 33.3 | 1.0 | Rp11/2 | 5 | 45 | 3 | 587 | YCJ71 | |
|
NYP10/1.0 |
6 | 100 |
1.3 |
Rp2 |
45 | 7.5 | 228 | YCJ112 | ||
| 8 | 133.3 | 1.0 | Rp2 | 45 | 7.5 | 303 | YCJ100 | |||
| 10 | 166.7 | Rp2 | 51 | 7.5 | 357 | YCJ100 | ||||
| 12 | 200 | Rp2 | 54 | 7.5 | 475 | YCJ100 | ||||
|
NYP30/1.0 |
18 | 300 | ¢80 | 54 | 15 | 305 | YCJ112 | |||
| 22 | 366.7 | ¢80 | 58 | 15 | 359 | YCJ112 | ||||
| 28 | 466.7 | ¢80 | 65 | 15 | 479 | YCJ112 | ||||
| NYP50/1.0 | 50 | 833.3 | ¢150 | 52 | 37 | 128 | YCJ315 | |||
| 80 | 1333.3 | ¢150 | 58 | 45 | 208 | YCJ355 | ||||
| 100 | 1666.6 | ¢150 | 65 | 55 | 253 | YCJ355 | ||||
| NYP3/1.0 | 1.5 | 25 | Rp11/2 | 43 | 3 | 480 |
皮帶輪傳動 |
|||
| 2 | 33.3 | Rp11/2 | 43 | 3 | 640 | |||||
| NYP10/1.0 | 8 | 133.3 | Rp2 | 43 | 7.5 | 303 | ||||
| 10 | 166.7 | Rp2 | 49 | 7.5 | 357 | |||||
| 12 | 200 | Rp2 | 51 | 7.5 | 475 | |||||
| NYP3/1.0 | 3 | 50 | 1 | Rp11/2 | 55 | 3 | 960 |
Y132S-6 |
與電機直聯 |
|
|
密封方式為機械密封 |
||||||||||
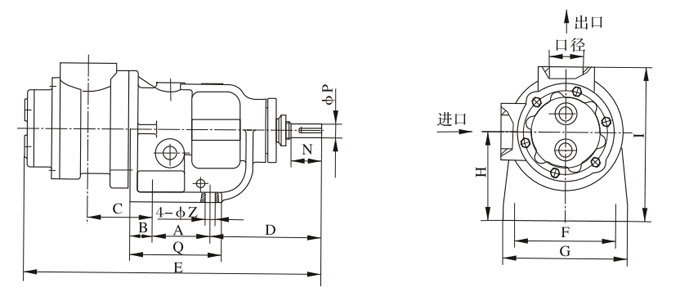
NYP高粘度內齒泵結構圖


| 泵型號 | 理論排量 L/100r |
A | B | C | D | E | F | G | H | I | Q | N | P | Z | 口徑 |
| NYP7.0A (原NYP3A) |
7.0 | 58 | 16 | 99 | 147 | 375 | 140 | 172 | 88 | 178 | 90 | 43 | 19 | 13 | G11/2" |
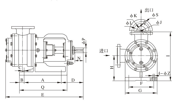
NYP24,NYP80,NYP111(A),NYP727泵頭外形尺寸

| 型號 | 理論排量 L/100r |
A | B | C | D | E | F | G | H | I | J | K | L | N | P | Q | S | Z |
| NYP24 | 24 | 120 | 30 | 94 | 196 | 518 | 200 | 240 | 160 | 320 | 50 | 125 | 165 | 57 | 30 | 180 | 4-φ18 | 18 |
| NYP80 | 80 | 170 | 27.5 | 138.5 | 183.5 | 592 | 220 | 255 | 180 | 390 | 80 | 160 | 200 | 75 | 42 | 225 | 8-φ18 | 15 |
| NYP111 (原NYP30A) |
111 | 170 | 25 | 142 | 188 | 616 | 220 | 255 | 180 | 390 | 80 | 160 | 200 | 58 | 40 | 225 | 8-φ18 | 15 |
| NYP111 (原NYP30A) |
111 | 340 | 30 | 3 | 198 | 688 | 220 | 280 | 220 | 430 | 80 | 160 | 200 | 75 | 42 | 420 | 8-φ18 | 20 |
| NYP320 | 320 | 340 | 35 | 120.5 | 268 | 849 | 330 | 400 | 260 | 520 | 125 | 210 | 250 | 120 | 65 | 410 | 8-φ18 | 22 |
| NYP727 (原NYP50A) |
727 | 410 | 40 | 170 | 260 | 1060 | 370 | 450 | 360 | 680 | 150 | 240 | 285 | 120 | 80 | 530 | 8-φ18 | 22 |
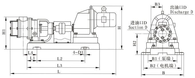
NYP不銹鋼保溫泵配減速電機整機安裝尺寸圖

| 型號 | L | L1 | L2 | L3 | L4 | H | H1 | H2 | B | B1 | B2 | B3 | D | D1 | Decelerator | ||
| 型號 | 功率KW | 轉速r/min | |||||||||||||||
| NYP7.0 | 1028 | 91 | 384 | 590 | 115 | 327 | 253 | 163 | 270 | 225 | 225 | 90 | G11/2" | φ20 | YCJ71 | 3 | 583 |
| 455 | |||||||||||||||||
| NYP52 | 1361 | 67 | 576 | 790 | 130 | 480 | 355 | 225 | 400 | 308 | 340 | 130 | G2" | φ22 | YCJ112 | 7.5 | 228 |
| 1351 | 67 | 576 | 790 | 130 | 533 | 355 | 225 | 400 | 308 | 340 | 130 | G2" | φ22 | YCJ100 | 7.5 | 303 | |
| 357 | |||||||||||||||||
| 1436 | 67 | 576 | 790 | 130 | 533 | 355 | 225 | 400 | 308 | 340 | 130 | G2" | φ22 | YCJ100 | 11 | 475 | |
| NYP111 | 1500 | 154 | 558 | 890 | 227 | 585 | 495 | 285 | 525 | 385 | 475 | 210 | φ80 | φ22 | YCJ112 | 15 | 305 |
| 417 | |||||||||||||||||
| 479 | |||||||||||||||||
| NYP727 | 2423 | 200 | 950 | 1259 | 330 | 825 | 935 | 615 | 580 | 520 | 520 | 320 | φ150 | φ28 | YCJ315 | 37 | 128 |